全国统一客服热线:0572-5012777
详细信息
上一个:TF002
下一个:TF004
TF001
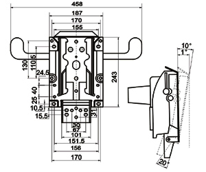
TF002
TF003
TF004
网站设计维护:传信网络
Copyright © 2021 浙江泰丰家具有限公司 版权所有 All Right Reserved. 浙ICP备11007732号-1 XML 网站地图 浙公网安备 33052302000597号