浙江泰丰家具有限公司

全国统一客服热线:0572-5012777

产品中心

当前位置: 首页 > 产品中心 > SYM004AA系列 > SYM004/MA

SYM004/MA

详细信息
SYM004/MA
 
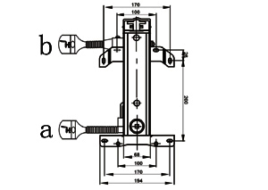
  本机构适用于气压升降控制,A手柄调节底盘升降。B手柄调节椅背的倾仰。椅背采用背钢板,拉动靠背可调节椅背的高度。
产品样本
电子样本

上一个:SYM004/DD

下一个:SYM004/TC

返回列表